Kirjaudu sisään, jotta voit käyttää lisätoimintoja tuotetunnistusta varten.
Der Artikel wurde erfolgreich hinzugefügt.
Luottoraja ylitetty
Tilaukset pidossa
03.281.75.30.0

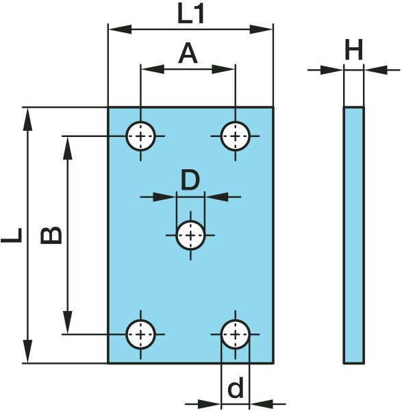
03.281.75.30.0 Jousenpidike, akselin1

Tekniset tiedot:
Dimension: 60,5 / 120 / 155 / 100 / 12 / Ø 17
Viimeksi katsottu
1) Asennusohjeita ei ole mukana kaikissa tapauksissa. Mikäli sinä tai asiakkaasi tarvitsee asennusohjeita, tiedustele niitä meiltä ennen tilausta. Kaikkia tuotteita tulee käyttää ainoastaan niiden käyttötarkoitukseen, ja ne saa asentaa vain ammattikoulutuksen saanut henkilöstö. 2) Tarjotut osat ovat jälkiasennusosia. Mainitut alkuperäiset varaosanumerot on annettu vain vertailutarkoituksiin. Nämä tiedot on koottu huolellisesti parhaan tietämyksen mukaan, mutta erehdyksiä ei voida kuitenkaan sulkea pois. Emme voi taata tietojen oikeellisuutta. Käyttömahdollisuus on tarkistettava ennen jokaista asennusta.